Jiangsu Mechanical and Electrical Products Bearing Co., Ltd.

江苏省机电产品轴承有限公司

Jiangsu Mechanical and Electrical Products Bearing Co., Ltd.

江苏省机电产品轴承有限公司

ENG

中国人

Jiangsu Mechanical and Electrical Products Bearing Co., Ltd.

江苏省机电产品轴承有限公司

Model
Inner Diameter
Outer Diameter
Width

Catalogue

Catalogue

Tapered Roller Bearings

Single row metric tapered roller bearings / 323 series

Next
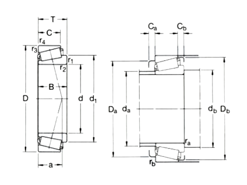
型号 尺寸(mm) 基本额定载荷(KN)
d1 D B dyc(Cr)
32303J2/Q 17 47 20.25 40
32304J2/Q 20 52 22.25 51
32305J2 25 62 25.25 60.5
32306J2/Q 30 72 28.75 88
32307J2/Q 35 80 32.75 95.2
32307BJ2/Q 35 80 32.75 93.5
32307/37BJ2/Q 37 80 32.75 93.5
32308J2/Q 40 90 35.25 117
32309J2/Q 45 100 38.25 140
32309BJ2/QCL7C 45 100 38.25 156
32310J2/Q 50 110 42.25 172
32310TN9 50 110 42.25 172

page

1

2

Inquire Now