Jiangsu Mechanical and Electrical Products Bearing Co., Ltd.

江苏省机电产品轴承有限公司

Jiangsu Mechanical and Electrical Products Bearing Co., Ltd.

江苏省机电产品轴承有限公司

ENG

中国人

Jiangsu Mechanical and Electrical Products Bearing Co., Ltd.

江苏省机电产品轴承有限公司

Model
Inner Diameter
Outer Diameter
Width

Catalogue

Catalogue

Spherical bearing

Thrust spherical bearing / GX...T series

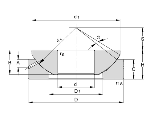
型号 主要尺寸(mm)
d D B C
GX10T 10 30 7.5 7
GX12T 12 35 9.5 9.3
GX15T 15 42 11 10.8
GX17T 17 47 11.8 11.2
GX20T 20 55 14.5 13.8
GX25T 25 62 16.5 16.7
GX30T 30 75 19 19
GX35T 35 90 22 20.7
GX40T 40 105 27 21.5
GX45T 45 120 31 25.5
GX50T 50 130 33 30.5
GX60T 60 150 37 34

page

1

Inquire Now