Jiangsu Mechanical and Electrical Products Bearing Co., Ltd.

江苏省机电产品轴承有限公司

Jiangsu Mechanical and Electrical Products Bearing Co., Ltd.

江苏省机电产品轴承有限公司

ENG

中国人

Jiangsu Mechanical and Electrical Products Bearing Co., Ltd.

江苏省机电产品轴承有限公司

Model
Inner Diameter
Outer Diameter
Width

Catalogue

Catalogue

Slewing bearings

Slewing bearings / Three-row roller slewing bearing (13 series) - internal gear type

Next
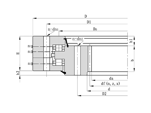
型号 外形尺寸 (mm) 安装孔尺寸(mm)
D d H D1
- - - - -
133.25.500 634 366 148 598
134.25.500 634 366 148 598
133.25.560 694 426 148 658
134.25.560 694 426 148 658
133.25.630 764 496 148 728
134.25.630 764 496 148 728
133.25.710 844 576 148 808
134.25.710 844 576 148 808
133.32.800 964 636 182 920
134.32.800 964 636 182 920
133.32.900 1064 736 182 1020

page

1

2

3

Inquire Now