don't remove it
Catalogue
-
68/Z,ZZ,RS,2RS series
-
69/Z,ZZ,RS,2RS series
-
62/Z,ZZ,RS,2RS,2RD,2RK series
-
60/Z,ZZ,RS,2RS,2RD,2RK series
-
63/Z,ZZ,RS,2RS,2RD,2RK series
Catalogue
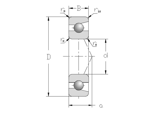
Angular contact ball bearings
High speed single train / Single row 73C series
Next
| 型号 |
主要尺寸(mm) |
| d |
D |
B |
rs min |
| 7302C |
15 |
42 |
13 |
1 |
7303C |
17 |
47 |
14 |
1 |
| 7304C |
20 |
52 |
15 |
1.1 |
7305C |
25 |
62 |
17 |
1.1 |
| 7306C |
30 |
72 |
19 |
1.1 |
7307C |
35 |
80 |
21 |
1.5 |
| 7308C |
40 |
90 |
23 |
1.5 |
7309C |
45 |
100 |
25 |
1.5 |
| 7310C |
50 |
110 |
27 |
2 |
7311C |
55 |
120 |
29 |
2 |
| 7312C |
60 |
130 |
31 |
2.1 |
7313C |
65 |
140 |
33 |
2.1 |
Inquire Now