Jiangsu Mechanical and Electrical Products Bearing Co., Ltd.

江苏省机电产品轴承有限公司

Jiangsu Mechanical and Electrical Products Bearing Co., Ltd.

江苏省机电产品轴承有限公司

ENG

中国人

Jiangsu Mechanical and Electrical Products Bearing Co., Ltd.

江苏省机电产品轴承有限公司

Model
Inner Diameter
Outer Diameter
Width

Catalogue

Catalogue

Spherical roller bearing

Spherical roller bearing / 294 series

Next
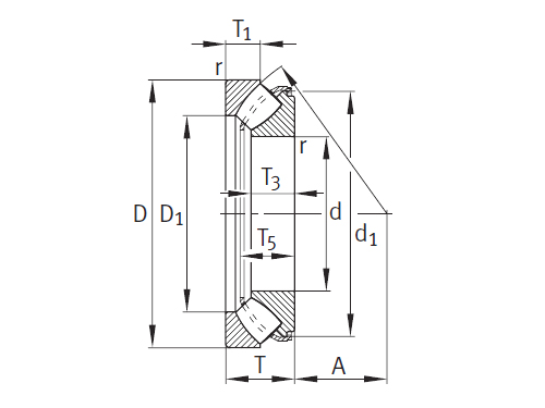
型号 主要尺寸(mm)
d D T rs min
29412 60 130 42 1.5
29413 65 140 45 2
29414 70 150 48 2
29415 75 160 51 2
29416 80 170 54 2.1
29417 85 180 58 2.1
29418 90 190 60 2.1
29420 100 210 67 3
29422 110 230 73 3
29424 120 250 78 4
29426 130 270 85 4
29428 140 280 85 4

page

1

Inquire Now