don't remove it
Catalogue
-
68/Z,ZZ,RS,2RS series
-
69/Z,ZZ,RS,2RS series
-
62/Z,ZZ,RS,2RS,2RD,2RK series
-
60/Z,ZZ,RS,2RS,2RD,2RK series
-
63/Z,ZZ,RS,2RS,2RD,2RK series
Catalogue
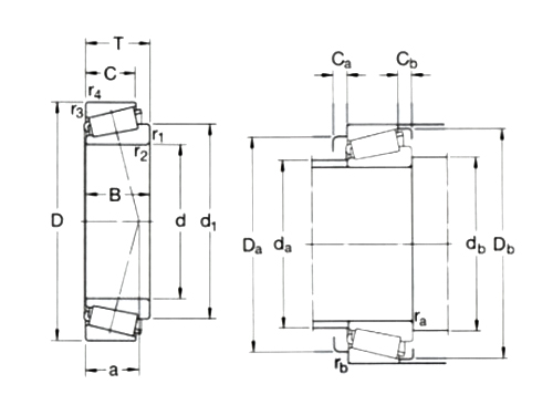
Tapered Roller Bearings
Single row metric tapered roller bearings / 322 series
Next
| 型号 |
尺寸(mm) |
基本额定载荷(KN) |
| d1 |
D |
B |
dyc(Cr) |
| 32205BJ2/Q |
25 |
52 |
19.25 |
41.5 |
322/28BJ2/Q |
28 |
58 |
20.25 |
48 |
| 32206J2/Q |
30 |
62 |
21.25 |
58.5 |
32206BJ2/QCL7CVA606 |
30 |
62 |
21.25 |
56 |
| 32207J2/Q |
35 |
72 |
24.25 |
76.5 |
32208J2/Q |
40 |
80 |
24.75 |
85 |
| 32208BJ2/Q |
40 |
80 |
24.75 |
86.5 |
32209J2/Q |
45 |
85 |
24.75 |
91.5 |
| 32210/45BJ2/QVB022 |
45 |
90 |
24.75 |
95 |
32210J2/Q |
50 |
90 |
24.75 |
95 |
| 32211J2/Q |
55 |
100 |
26.75 |
106 |
32212J2/Q |
60 |
110 |
29.75 |
146 |
| 型号 |
尺寸(mm) |
基本额定载荷(KN) |
| d1 |
D |
B |
dyc(Cr) |
| 32212BJ2/Q |
60 |
110 |
29.75 |
140 |
32213J2/Q |
65 |
120 |
32.75 |
151 |
| 32214J2/Q |
70 |
125 |
33.25 |
157 |
32215J2/Q |
75 |
130 |
33.25 |
161 |
| 32216J2/Q |
80 |
140 |
35.25 |
187 |
32217J2/Q |
85 |
150 |
38.5 |
212 |
| 32218J2/Q |
90 |
160 |
42.5 |
251 |
32219J2 |
95 |
170 |
45.5 |
281 |
| 32220J2 |
100 |
180 |
49 |
319 |
32221J2 |
105 |
190 |
53 |
358 |
| 32222J2 |
110 |
200 |
56 |
402 |
32322 |
110 |
240 |
84.5 |
627 |
Inquire Now