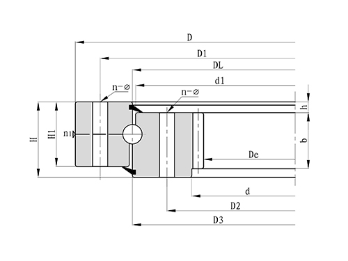
| 型号 | 外形尺寸(mm) | 安孔尺寸(mm) | ||
| D | d | H | D1 | |
| 013.25.315 | 408 | 222 | 70 | 372 | 013.25.355 | 448 | 262 | 70 | 412 |
| 013.25.400 | 493 | 307 | 70 | 457 | 013.25.450 | 543 | 357 | 70 | 507 |
| 013.30.500 | 602 | 398 | 80 | 566 | 014.30.500 | 602 | 398 | 80 | 566 |
| 013.25.500 | 602 | 398 | 80 | 566 | 014.25.500 | 602 | 398 | 80 | 566 |
| 013.30.560 | 662 | 458 | 80 | 626 | 014.30.560 | 662 | 458 | 80 | 626 |
| 013.25.560 | 662 | 458 | 80 | 626 | 014.25.560 | 662 | 458 | 80 | 626 |
1
2
3
4
5
6