Jiangsu Mechanical and Electrical Products Bearing Co., Ltd.

江苏省机电产品轴承有限公司

Jiangsu Mechanical and Electrical Products Bearing Co., Ltd.

江苏省机电产品轴承有限公司

ENG

中国人

Jiangsu Mechanical and Electrical Products Bearing Co., Ltd.

江苏省机电产品轴承有限公司

Model
Inner Diameter
Outer Diameter
Width

Catalogue

Catalogue

Slewing bearings

Slewing bearings / Double-row ball slewing bearing with different diameters (02 series) - internal gear type

Next
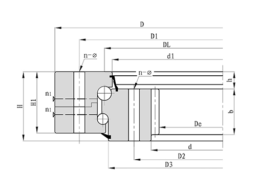
型号 外形尺寸(mm) 安装孔尺寸(mm)
D d H D1
023.25.500 616 384 106 580
024.25.500 616 384 106 580
023.25.560 676 444 106 640
024.25.560 676 444 106 640
023.25.630 746 514 106 710
024.25.630 746 514 106 710
023.25.710 826 594 106 790
024.25.710 826 594 106 790
023.30.800 942 658 124 898
024.30.800 942 658 124 898
023.30.900 1042 758 124 998
024.30.900 1042 758 124 998

page

1

2

3

Inquire Now